大容量タイプディスペンサー

高精度で安定した液剤塗布作業を実現 大容量タイプディスペンサー
vipro-PUMP

大容量タイプディスペンサーは、液剤を連続して容積移送する「エンドレスピストン原理」を採用し、高精度で安定した液剤塗布作業を実現します。液剤の粘度や密度が変化する場合でも優れた吐出精度を保持します。

製品の利点

取り扱いが難しい液剤に対応可能

耐化学薬品性や耐摩擦性を有する数種類のエラストマーが選択可能で、各サイズご利用できます。

vipro-PUMPシリーズ

高粘度液剤、フィラー入り液剤を高精度に塗布

vipro-PUMPシリーズ

クリーニング時におけるディスペンサーの組立て/分解が簡単

クリーニングが容易なプラットフォーム

分解可能なドライブシャフト

vipro-PUMPディスペンサーは、クリーニング及びメンテナンスが簡単で、多様な製造現場で使用されています。 独自のハウジング構造で、シール部を外すことなくポンプ内部 (ローター、ドライブシャフト等)に簡単にアプローチできます。これにより、クリーニングや材料ロスを大幅に軽減します。また、バッチサイズの小型化が可能で、生産効率が向上します。

分解可能なドライブシャフト

クリーニングが容易なプラットフォーム

ドライブシャフトの交換時にローター部品はネジで分離できます。ローター部品は再利用可能で、修理コストを大幅に削減可能です。

吐出量と吐出速度は一定増加

モーターに直接接続されたアナログ信号によって速度が制御されます。ローター回転あたりの吐出量は常に一定です。吐出量は回転速度に正比例で増加します。液剤粘度が変わった時でも脈動なく安定塗布します。

アナログ信号の直進性ー速度ー吐出量
アナログ信号の直進性ー速度ー吐出量
吐出量
吐出量

関連ソリューションRelated Solutions

アプリケーション

直交ロボットとの組み合わせによる電池ケースのシーリング。

ある程度の長さで連続吐出、正確な定量塗布が可能。

Vipro-PUMPアプリケーション

自動車部品へのシーリング等

Vipro-PUMPアプリケーション

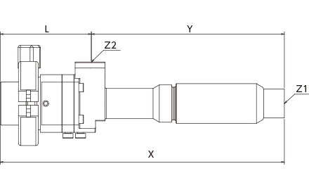
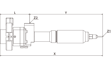
製品仕様

大容量タイプディスペンサー

RDディスペンサー(ルアーロック式ノズル装着タイプ)
寸 法 4RD6 3RD8 3RD10 3RD12
X 211 211 237 271
Y 135 135 161 195
L 76 76 76 76
Z1 G 1/4″ G 3/8″
Z2 G1/2″

大容量タイプディスペンサー(ルアーロック式ノズル装着タイプ)

RDディスペンサー
寸 法 4RD6 3RD8 3RD10
X 233/235 235/237 262/264
Y 157/159 135 186/188
L 76 76 76
Z1   1.6/2.4  
Z2 G1/2″